18+ O2 Sensor Wiring Diagram


Kenwood Dnr992rvs Stereo Halfords Uk


Figure D 2 The Dissolved Oxygen Sensor Wiring Diagram Download Scientific Diagram


Oxygen Sensor Wires Rx8club Com


08y Pdf Pdf Electrical Connector Ignition System


Applied Sciences Free Full Text Pulsed Nanoelectrospray Ionization Boosts Ion Signal In Whole Protein Mass Spectrometry


Oxygen Sensor Wiring Diagram Ford F150 Forum Community Of Ford Truck Fans


Wiring A Heated O2 Sensor Third Generation F Body Message Boards


3 Wire Heated Oxygen Sensor Third Generation F Body Message Boards


Pin On O2sensor


Calibration Service Brc Raceworks


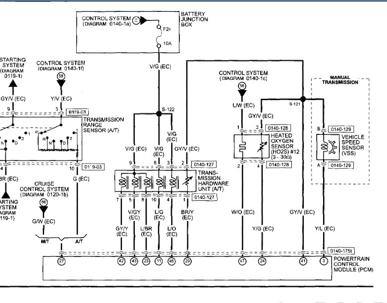
Wiring Diagram O2 Sensor Bank 1 To Pcm


O2 Sensor Wiring Diagram Jaguar Forums Jaguar Enthusiasts Forum


Blind Spot Help Toyota Tundra Forum


Sensors Free Full Text Grand Theft Auto Based Cycling Simulator For Cognitive Enhancement Technologies In Dangerous Traffic Situations


T4y71akrtskyim


Temperature Controller Temperature Switch Power Tool Accessories Switch Kp77 Aliexpress


Ford Mustang Gt Front Or Rear O2 Sensor Extensions 16 Inch 18 23 Bbk Performance


Need Help Diagnosing O2 Issues Ls1tech Camaro And Firebird Forum Discussion

Iklan Atas Artikel

Iklan Tengah Artikel 1

Iklan Tengah Artikel 2

Iklan Bawah Artikel